안녕하세요? 웰라입니다. 오늘은 전기기능사 기본 회로인 타이머 릴레이(Timer Relay)를 통해 램프를 점등해 보도록 하겠습니다. (릴레이=계전기) 물론 결선은 영상으로 준비했습니다. 몇가지 설명만 블로그에 포스팅하구요. 결선 영상은 하단 참고 바랍니다. 아~ 지난 시간에 8핀 릴레이를 통해 자기유지회로에 대해 알아봤는데 관련 내용은 링크 통해 확인 하시거나 우측 상단에 '전기이야기'를 참고해 주시기 바랍니다.
2019/05/24 - [전기 이야기] - 3. 자기유지회로 결선(8핀 릴레이 기본회로) - 전기기능사
2019/05/19 - [전기 이야기] - 2. 푸시버튼 a b접점과 8핀 릴레이 기본회로 - 전기기능사
전기기능사 공부하시면 릴레이 핀번호와 소켓번호로 표기합니다. 소켓은 제어판에 붙여서 릴레이를 붙여서 사용합니다. 소켓을 사용하는 이유는 편의성이겠죠? 추후 유지보수할 때 전선을 다 뺄 필요 없이 릴레이만 교체하면 되기 때문이죠. 한번 소켓에 전선을 물려 놓으면 전선이 타지 않는 이상에는 손 댈일이 없습니다. 이외에도 다른 여러가지 이유가 있겠죠?
핀번호와 소켓번호가 헷갈리실텐데 도면을 보면 결국 각 모양이 다를 뿐이지 전기기능사 시험을 준비하거나 조립하는 저희로썬 핀번호보단 소켓에 번호가 더 중요하죠~ 전선을 핀이 아닌 소켓 피스에 물리기 때문이죠. 핀번호는 결선도는 '아 그렇구나'라고 생각하시고 소켓 번호만 외우시면 됩니다.
타이머 소켓의 경우에도 8핀 소켓과 접점상태가 유사한 패턴입니다. 전원과 a,b접점은 동일합니다만, 4번 접점을 사용하지 않습니다. 게다가 8-6번 ,8-5번 접점은 한시접점이라고 하여 일정시간 이후에 동작하합니다. 1-3번은 8핀 릴레이에서 계속 사용했던 순시접점, 전원이 공급하면 순식간에 동작하죠~
이번 타이머를 한시동작순시복귀라고 합니다. 말 그대로 일정시간 이후 동작을 하고 복귀할 때는 순간적으로 복귀한다는 말입니다.) 이해 되시죠? 8핀 릴레이 소켓 사진을 머리속에 담아둔다면 타이머도 금새 외워집니다. 아... 동작원리는 외우지 마세요. 전기기능사는 결선이 중요하니 결선 위주로 반복숙달 하되, 원리는 '아 그런가보다'정도로 이해만 해주세요)
제가 가지고 있는 타이머릴레이는 두 개 있습니다. 초단위 1개와 분단위 1개 있습니다. 또 시,분,초 단위를 선택할 수 있는 타이머도 있었는데 거래처 타이머가 고장 나는 바람에 기부하고 왔습니다.
내부 결선도면을 보면 조금 다릅니다. 첫번째 사진은 4번 접점은 사용하지 않는다고 합니다만, 그 아래 있는 릴레이 결선도를 보면 4번을 110볼트 전원으로 사용합니다.
만든 회사별로 접점이 약간씩 다릅니다. 4번 접점을 이용하여 110볼트도 사용할 수 있게 만들었습니다.
다른 타이머 릴에이는 하나는 8핀 릴레이처럼 a,b접점으로 다 사용했다는 것을 알 수 있습니다. 1-4번을 b접점으로 사용했습니다. ^^
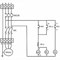
오늘 결선할 도면을 확인해 볼게요. 기존 자기유지회로와 별반 다른게 없습니다. 타이머 릴레이가 붙었다는 점이죠.
그럼 타이머 릴레이 결선방법은 아래 영상 참고 바랍니다.
이것으로 타이머릴레이 결선 방법에 대해 알아봤습니다. 다음 시간에는 현장에서도 엄청 많이 사용하는 마그네틱 콘택터(MC)에 대해 알아보겠습니다. (다만, 핀타입 MC를 구해야 하는 데 현장에도 핀타입은 거의 없네요. 그렇다고 새거를 6만원 주고 사야 하나 싶기도 한데 암튼 없으면 중고라도 구해서 해야겠죠.) 감사합니다.
'전기 이야기 > 전기기능사' 카테고리의 다른 글
| 6. 인터록 회로 결선(ft 핀번호 매기기) - 전기기능사 실기 기본회로 (0) | 2019.06.26 |
|---|---|
| 5. 전자접촉기(MC) 회로 결선 - 전기기능사 기본회로 (4) | 2019.06.13 |
| 3. 자기유지회로 결선(8핀 릴레이 기본회로) - 전기기능사 (0) | 2019.05.24 |
| 2. 푸시버튼 a b접점과 8핀 릴레이 기본회로 - 전기기능사 (0) | 2019.05.19 |
| 1. 푸시버튼(누름버튼) 스위치 - 기본회로 [전기기능사] (4) | 2019.05.14 |